因为专业,所以信赖 成都哈工智传科技真诚期待与各大电力施工单位合作 设为首页加入收藏栏目导航
技术支持 TECH SUP
当前位置: 首页 > 技术支持 > 技术文章 >
压力变送器说明书

来源创作:哈工智传 发布时间:2021-09-14 15:14 点击数:

       一、本压力变送器可广泛应用于测量工业领域液体、气体的压力,把被测压力参数值转换成4~20mA标准信号,可与多种仪表相配套。因而可广泛应用于石油、化工、冶金、电站、锅炉、轻工等许多部门。
       二、工作原理与特点
       1、本变送器的传感元件是扩散硅力敏器件。这种器件是利用集成电路工艺,在晶体硅片上制成敏感压阻,组成惠斯登电桥,作为力电转换的敏感器件。当受到外力作用时,电桥失去平衡。当给桥路加一恒流激励电源时,可以将压力信号线性地转换成毫伏级电压信号,经放大转换变成4~20mA标准信号输出,便于远距离传送。
       2、由于本送器采用了扩散硅式力敏器件,使其体积和重量大大减小。不仅外型美观、结构简单,而且各项技术性能稳定可靠,所以安装和维护特别方便,无需现场调试。输出的标准电流信号,实现远距离传输便于用户便用。因此,本变送器是过程控制中的理想仪表。
       三、技术指标:
       1、量程:0~1.6MPa;0~1.0Mpa; 0~60MPa。
       2、基本误差:≤0.5%
       3、反映时间:<500mS
       4、电源:24VDC±5%
       5、输出:4~20mADC
       6、负载电阻:≤350Ω
       7、被测介质温度:-10~60℃
       8、重量:约1.0㎏
       四、接线及安装
       1、接线方式
      (1)4~20mA电流测量
      (2)1~5V电压测量
      (3)多个压力变送器共用一组电源的连接方法:
        多个压力变送器共用一组电源的连接方法有负载共地和负载
共电源两种接法,一般推荐采用负载共地接法,不推荐采用负载共电源接法。多个压力变送器共用一组电源连接时,要注意供电电源的负载能力。
       2、安装:
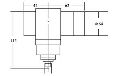
       (1)安装尺寸:
              仪表外型及安装尺寸
                                                                         仪表外型及安装尺寸
 
      (2)盘管安装方式:
       当被测介质温度高于60℃时,应采用盘管安装方式,使被测介质的温度降到60℃以下,以保证压力变送器工作条件。
       盘管安装方式
                                                                     盘管安装方式
      (3)采用“U”型管安装方式:
       当被测介质的温度高于60℃时,还可以采用“U”型安装方式,U型管的长度应根据被测介质的温度确定,一般大于1米,必要时(如测过热蒸汽时),要加装冷凝器。
        U型管安装方式
                                                                采用“U”型管安装方式

 
分享到: 更多
返回首页    |    关于哈工智传    |    产品中心    |     飞行知识    |     网站地图    |     联系我们
© 版权成都哈工智传科技有限公司所有|蜀ICP备12026798号
地址:成都市金牛区金丰路6号 服务热线:028-64640866