因为专业,所以信赖 成都哈工智传科技真诚期待与各大电力施工单位合作 设为首页加入收藏栏目导航
当前位置:首页 > 产品中心 > 隔离器 >
ISOL-12A双输出信号隔离器

来源创作:哈工智传 发布时间:2021-09-13 16:53 点击数:

ISOL-12A双输出信号隔离器简介:
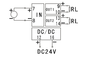
    本仪表的作用是将一路输入信号通过电磁转换,向受信仪表提供两路隔离的信号,以满足电气隔离的需要。 仪表设计小型化、低功耗,导轨安装,电源、输入、输出三隔离。 
            

            
            
输入/输出范围:
尾标 输入 输出1 输出2
A 4-20mA 4-20mA 4-20mA
B 0-10V 4-20mA 4-20mA
C 4-20mA 4-20mA 1-5V
D 0-10V 4-20mA 1-5V
S 用户自定义

应用连线:
 

订货指南: 
ISOL-12□ 
例:ISOL-12A 即输入为4-20mA,输出1、2都为4-20mA 

主要技术参数: 
输入电阻:电压型>100kΩ,电流型<100Ω 
输出负载电阻:电压型>10kΩ,电流型250Ω(TYP) 
精度:±0.2%FS 
温度系数:<±150ppm/℃ 
工作温度范围:0~50℃ 
隔离方式:电源、输入、输出1、输出2四部分相互隔离 
绝缘电阻:>100MΩ(500VDC) 
绝缘强度:1000VDC/分钟 
电源:24VDC±15% 
功耗:<60mA(输出二路20mA时) 

注:ISOL-12是为特殊用户提供的专用型号,技术参数相同

分享到: 更多
返回首页    |    关于哈工智传    |    产品中心    |     飞行知识    |     网站地图    |     联系我们
© 版权成都哈工智传科技有限公司所有|蜀ICP备12026798号
地址:成都市金牛区金丰路6号 服务热线:028-64640866